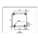
Model LD4 - BI Series vertical electric tool carriage adopts the working principle of worm wheel and worm drive, up and down fluted disc engagement and screw fastening. It features fast transposition, high-precision locating and big tangential torque as well as correct transmitting and ling service life as transmitting transposition adopts dependable contactless hall components. The series tool carriage is a kind of economic product popular throughout Taiwan.



| Model - No. | H1 | H2 | H3 | H4 | L1 | L2 | L3 | L4 | A | A1 | B | B1 |
| LD4 - BI 70-40 | 86 | 40 | 15 | 11 | 57.5 | 80 | 70 | 50 | 70 | 35 | 87 | 36 |
| LD4 - BI 80-48 | 116 | 48 | 19 | 16 | 58 | 100 | 80 | 56 | 80 | 40 | 110 | 55 |
| LD4 - BI 110-51 | 128 | 51 | 22 | 16 | 86 | 118 | 110 | 80 | 120 | 55 | 126 | 56 |
| LD4 - BI 136-57 | 162 | 57 | 35 | 16.5 | 110 | 127 | 136 | 96 | 136 | 68 | 148 | 68 |
| LD4 - BI 152-70 | 187 | 70 | 40 | 21 | 76 | 137 | 152 | 104 | 161 | 76 | 171 | 76 |
| LD4 - BI 152-77 | 194 | 77 | 40 | 21 | 76 | 137 | 152 | 104 | 161 | 76 | 171 | 76 |
| LD4 - BI 162-81 | 202 | 81 | 40 | 23 | 76 | 137 | 162 | 112 | 192 | 81 | 192 | 105 |
| LD4 - BI 162-121 | 242 | 121 | 40 | 47 | 76 | 137 | 162 | 112 | 192 | 81 | 192 | 105 |
| LD4 - BI 200-120 | 253 | 120 | 51 | 40 | 110 | 140 | 200 | 124 | 200 | 100 | 200 | 100 |
| Model - No. | C | D | D1 | E | E1 | F | Ø | Ø1 | Ø2 | h | M |
| LD4 - BI 70-40 | 74 | 57 | 50 | 6.5 | 10 | 6.5 | 7 | 11 | 68 | 6.5 | M6 |
| LD4 - BI 80-48 | 94 | 64 | 52 | 8 | 13 | 8 | 9 | 14 | 78 | 9 | M8 |
| LD4 - BI 110-51 | 110 | 90 | 80 | 15 | 20 | 8 | 9 | 14 | 78 | 9 | M10 |
| LD4 - BI 136-57 | 126 | 108 | 108 | 14 | 14 | 11 | 11 | 17 | 88 | 11 | M12 |
| LD4 - BI 152-70 | 146 | 126 | 126 | 23 | 23 | 12 | 13 | 19 | 88 | 13 | M16 |
| LD4 - BI 152-77 | 146 | 126 | 126 | 23 | 23 | 12 | 13 | 19 | 88 | 13 | M16 |
| LD4 - BI 162-81 | 168 | 152 | 152 | 20 | 20 | 12 | 13 | 19 | 88 | 13 | M16 |
| LD4 - BI 162-121 | 168 | 152 | 152 | 20 | 20 | 12 | 13 | 19 | 88 | 13 | M16 |
| LD4 - BI 200-120 | 177 | 150 | 130 | 25 | 35 | 11.5 | 13 | 19 | 98 | 13 | M16 |
| Model - No. | POWER OF MOTOR w |
SPEED OF MOTOR r/min |
LOCKING FORCE kn |
Accuracy of repositioning " |
Indenting TIme s |
||
| 900 | 1800 | 2700 | |||||
| LD4 - BI 70-40 | 30 | 1400 | 2/2.4 | ±2 | 1.0 | 1.4 | 1.8 |
| LD4 - BI 80-48 | 50/30 | 1400 | 4 | ±2 | 1.2 | 1.6 | 2 |
| LD4 - BI 110-51 | 90 | 1400 | 6 | ±2 | 1.7 | 2.2 | 2.7 |
| LD4 - BI 136-57 | 90 | 1400 | 6 | ±2 | 1.9 | 2.4 | 2.9 |
| LD4 - BI 152-70 | 120 | 1400 | 12 | ±2 | 2.0 | 2.5 | 3.0 |
| LD4 - BI 152-77 | 120 | 1400 | 12 | ±2 | 2.0 | 2.5 | 3.0 |
| LD4 - BI 162-81 | 120 | 1400 | 12 | ±2 | 2.0 | 2.5 | 3.0 |
| LD4 - BI 162-121 | 120 | 1400 | 12 | ±2 | 2.0 | 2.5 | 3.0 |
| LD4 - BI 200-120 | 180 | 1400 | 18 | ±2 | 2.5 | 3.2 | 3.9 |

Owned & Powered by : #1 Vinayak InfoSoft - SEO Company Ahmedabad || Disclaimer